Guard Tankventil besteht Niedertemperaturtest - Guard Europe BV
Das Guard-Tankventil besteht den Tieftemperaturtest: -65 °C, 6 Stunden. Unabhängig auf Zuverlässigkeit in LNG und arktischen Bedingungen getestet.
* Temperaturbereich wird durch die Dichtung bestimmt. 
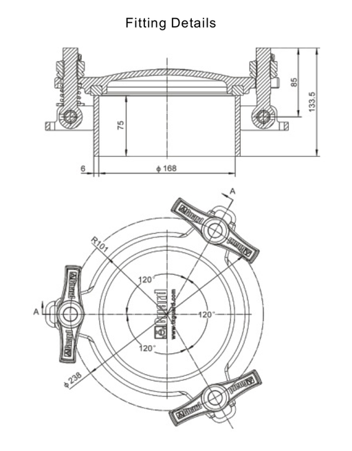
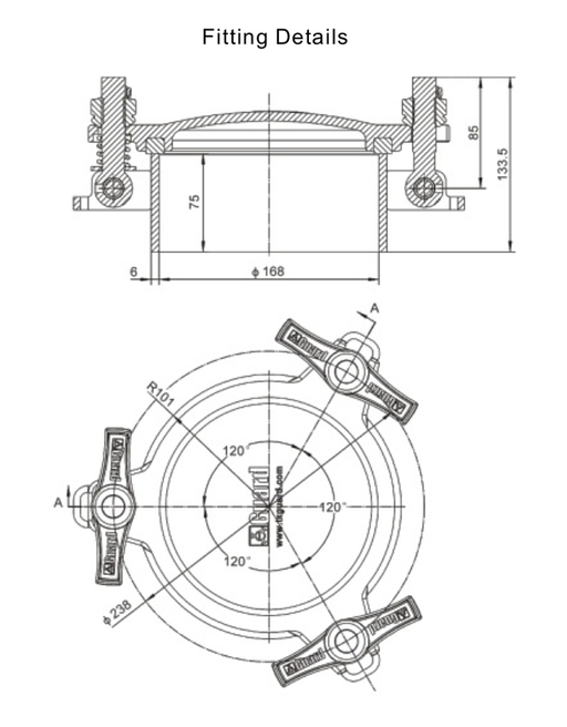
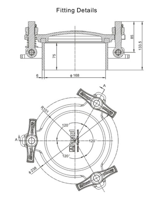
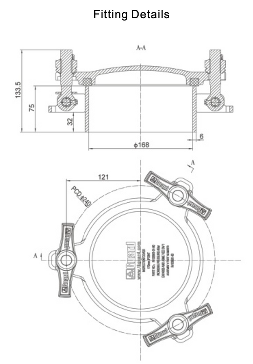
Inspektionsluke/Manndeckel, 170 mm, 3-Punkt-Anschluss, 6 mm Wandstärke, Halsring Tiefe 75 mm. Drehbolzen aus Edelstahl mit Edelstahl Handmuttern a...
Vollständige Details anzeigen170 mm Inspektion 3 Punkte, 6 mm Dicke. Edelstahl Schwenkschrauben mit Edelstahl-Handmuttern oder Messing Handmuttern. Mannloch Dichtung separat er...
Vollständige Details anzeigen170 mm Inspektion 3 Punkte, 6 mm Dicke. Edelstahl-Schwenkschrauben mit Edelstahl-Handmuttern oder Messing-Handmuttern. Manlid Dichtung separat erhä...
Vollständige Details anzeigen170 mm Inspektion 3 Punkte, 6 mm Dicke. Edelstahl-Schwenkschrauben mit Edelstahl-Handmuttern oder Messing-Handmuttern. Manlid Dichtung separat erhä...
Vollständige Details anzeigen170 mm Inspektion 3 Punkte, 6 mm Dicke. Edelstahlschwingbolzen mit Edelstahl Stahlhandmuttern oder Messinghandmuttern. Manlid Dichtung wird separat...
Vollständige Details anzeigen170 mm 3-Punkt-Inspektion, 6 mm dick. Drehbolzen aus Edelstahl mit Handmuttern aus Edelstahl oder Messing. Mannlochdichtung separat erhältlich. Ve...
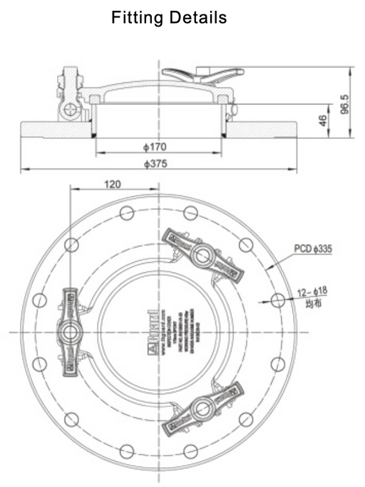
Vollständige Details anzeigen170 mm Dreipunkt-Prüfring, 6 mm dick, 100 mm Halsringtiefe (einschließlich Flanschhöhe). Befestigung am Schweißflansch des Tankkörpers mittels Sch...
Vollständige Details anzeigen170 mm 3-Punkt-Prüfflansch, 6 mm dick, 46 mm Halsringtiefe. Inkl. Flanschhöhe. Geeignet für Tanks mit geringer Höhe. Befestigung am angeschweißte...
Vollständige Details anzeigenDurchmesser 16 mm, M18x58 mm
Durchmesser 16 mm, M18x83 mm
Kurze Schwenkbolzengarnitur aus hochwertigem Edelstahl, 58 mm lang. Geeignet zur sicheren und dauerhaften Befestigung von Steckverbindungen und In...
Vollständige Details anzeigenSwingbolt Assembly 83 mm (Stainless Steel)
170 mm 14 x 12 mm PTFE + EPDM
Halsring 316L für 170 mm Inspektionsdeckel
Feder für 170 mm Inspektionsdeckel
Federscheibe für 170 mm Inspektionsdeckel
Bolt Support For The 170mm Inspection Manlid
Material: CF3M
Das Guard-Tankventil besteht den Tieftemperaturtest: -65 °C, 6 Stunden. Unabhängig auf Zuverlässigkeit in LNG und arktischen Bedingungen getestet.
€1.000,00 entfernt von kostenlosem Versand!
{"one"=>"Wählen Sie 2 oder 3 Artikel zum Vergleichen aus", "other"=>"{{ count }} von 3 Elementen ausgewählt"}
Wählen Sie das erste zu vergleichende Element aus
Wählen Sie das zweite zu vergleichende Element aus
Wählen Sie das dritte Element zum Vergleichen aus