Guard Tankventil besteht Niedertemperaturtest - Guard Europe BV
Das Guard-Tankventil besteht den Tieftemperaturtest: -65 °C, 6 Stunden. Unabhängig auf Zuverlässigkeit in LNG und arktischen Bedingungen getestet.
API-Ventile sind weltweit Standardkomponenten für die Be- und Entladung von Tankwagen von unten . Dank ihrer standardisierten Schnittstelle sind diese Ventile in der Tankertransportbranche unverzichtbar und gewährleisten den sicheren und effizienten Transfer von Flüssigkeiten und Kraftstoffen.

Guard Europe BV liefert hochwertige API-Ventile , die den internationalen API-Schnittstellenstandards vollständig entsprechen. Dies garantiert maximale Kompatibilität , zuverlässige Leistung und eine lange Lebensdauer auch unter anspruchsvollen Transportbedingungen.
Unsere API-Ventile zeichnen sich durch ein intelligentes Design aus, das nicht nur die Sicherheit, sondern auch die Betriebseffizienz erhöht:
Die leckagefreie und flache Abgaskonstruktion spart nicht nur Kosten, sondern reduziert auch die Umweltbelastung erheblich .
Guard API-Ventile sind für den Einsatz in folgenden Anwendungen konzipiert:
Ob es sich um Benzin, Diesel, chemische Flüssigkeiten oder andere ADR-Güter handelt – unsere Ventile gewährleisten einen sicheren und effizienten Produktfluss.
✔ Entspricht internationalen API-Standards
✔ Schnelles An- und Abkuppeln der Ladearme
✔ Beständig gegen hohe Belastungen und intensive Nutzung
✔ Auslaufsichere Technologie verhindert Abfall und Umweltverschmutzung
✔ Geeignet zur Integration in bestehende Tankwagenanlagen
Bei Guard Europe BV vereinen wir technisches Know-how mit einem breiten Produktsortiment für den Tanktransportsektor. Unsere API-Ventile werden mit den erforderlichen Zertifizierungen geliefert und können an spezifische Kundenanforderungen angepasst werden.
Suchen Sie ein zuverlässiges API-Ventil für Ihren Tanker oder Ihre Verladeanlage?
Kontaktieren Sie Guard Europe BV noch heute, um sich beraten zu lassen oder ein individuelles Angebot anzufordern.
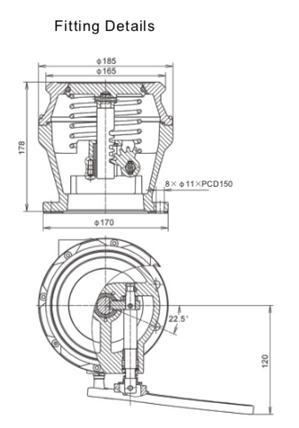
Werkstoff: Aluminium, Anschluss Flansch 8 -Löcher
1. Dieses wird am Boden des Tanks installiert, mit Schnellkupplungsanschluss, der mit dem Fußventil verbunden ist. 2. Aluminiumlegierung, anod...
Vollständige Details anzeigenAPI-Ventil gegen Flüssigkeitsspeicherung - Am Boden des Tanks installiert, mit Schnellanschluss, schnelles Ablassen von Öl, verhindert Flüssigkeit...
Vollständige Details anzeigen8x M10 - PDC 150mm, Material: Edelstahl 316L
Das Guard-Tankventil besteht den Tieftemperaturtest: -65 °C, 6 Stunden. Unabhängig auf Zuverlässigkeit in LNG und arktischen Bedingungen getestet.
€1.000,00 entfernt von kostenlosem Versand!
{"one"=>"Wählen Sie 2 oder 3 Artikel zum Vergleichen aus", "other"=>"{{ count }} von 3 Elementen ausgewählt"}
Wählen Sie das erste zu vergleichende Element aus
Wählen Sie das zweite zu vergleichende Element aus
Wählen Sie das dritte Element zum Vergleichen aus