Guard Tankventil besteht Niedertemperaturtest - Guard Europe BV
Das Guard-Tankventil besteht den Tieftemperaturtest: -65 °C, 6 Stunden. Unabhängig auf Zuverlässigkeit in LNG und arktischen Bedingungen getestet.
In dieser Kategorie finden Sie die ausgekleideten Produkte von Guard. Wir bieten Ventile und Schächte mit verschiedenen Arten von Beschichtungen an. Zum Beispiel PFA, Halar und Gummi als Materialien. Die Ventile sind sowohl für Tankcontainer als auch für Tankwagen geeignet.
Das Besondere an Guard ist, dass wir sowohl das Ventil als auch die Auskleidung in unserem eigenen Werk herstellen. Seit 2019 haben wir eine eigene Abteilung, die ausschließlich Guard-Ventile beschichtet. Dadurch können wir unsere Lieferzeiten kurz halten und kundenspezifische Ventile schneller entwickeln.
Die Produkte sind für den Transport von Gefahrgut nach ADR-Norm geeignet. Nicht alle Produkte, die wir anbieten, sind auf der Website zu finden, daher können Sie uns gerne kontaktieren, wenn Sie das richtige Produkt nicht aufgelistet sehen.Für Fragen und Beratung können Sie uns gerne kontaktieren.

Guard PFA-ausgekleidete PV-Ventile sind in verschiedenen Druck- und Vakuumeinstellungen erhältlich. Für technische Zeichnungen und Fragen kontakti...
Vollständige Details anzeigenPCD 125 4x o18 - Mit Flammschutz
Pressure Onlyno manometer portFlanged 4x 145 PCDgeleverd met pakking
PV-Ventil mit Guard-PFA-Auskleidung, reine Druckversion. Kontaktieren Sie uns gerne für technische Zeichnungen und Fragen. - Nur Druck - DN80 3,0...
Vollständige Details anzeigenGuard PFA-ausgekleidetes PV-Ventil, Ausführung nur für Druckbetrieb. Technische Zeichnungen und weitere Informationen erhalten Sie auf Anfrage.
Guard PFA-ausgekleidete PV-Ventile sind in verschiedenen Druck- und Vakuumeinstellungen erhältlich. Für technische Zeichnungen und Fragen kontakti...
Vollständige Details anzeigen3" PFA-ausgekleideter Kugelhahn – links- oder rechtsöffnend mit einer Bleidichtungsbohrung. Der Dichtungssitz ist schwimmend und hat eine doppelte...
Vollständige Details anzeigen1" PFA-ausgekleideter Lufteinlass-Kugelhahn – links- oder rechtsoffen mit einer Bleiplombe. Einteilige Kugelschaftkonstruktion mit doppelter Dichtw...
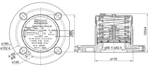
Vollständige Details anzeigenPFA-ausgekleidete Sicherheitsventile eignen sich für Druckbereiche von 1,5 bis 106,1 PSI (0,1 bis 7,31 bar) und von 0 bis 3 PSI (0 bis 0,21 bar). ...
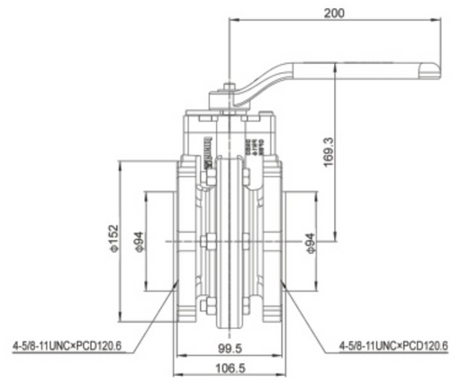
Vollständige Details anzeigen2" PFA-ausgekleideter Kugelhahn – links offen oder rechts offen. Einteiliges Kugelschaftdesign mit doppelter Dichtwirkung. Die Auskleidungsschicht...
Vollständige Details anzeigen1" PFA-ausgekleideter Kugelhahn - links offen oder rechts offen mit Plombenloch. Mit einteiligem Kugelschaft und doppelter Abdichtung kann der Kuge...
Vollständige Details anzeigen2" PFA-ausgekleideter Kugelhahn – links offen oder rechts offen mit Bleiplombe. Ein einteiliges Kugelschaftdesign mit doppelter Dichtwirkung. Diese...
Vollständige Details anzeigenDN80 PFA-ausgekleidete Klemm-Absperrklappe: Das Ventilgehäuse besteht aus Edelstahl, einschließlich der PFA-Buchse. Ventilplatte und Wellenkomponen...
Vollständige Details anzeigen3-Zoll-BSP-Auspuffanlage, PFA-ausgekleidet
3″45° Halar-beschichtetes Fußventil – Einlassflansch mit 8 x 14 mm Bohrungen in gleichen Abständen auf einem PCD x 178. Auslassflansch mit 8 x 16,5...
Vollständige Details anzeigen(QAF78001-00)
QAF65001-00
3" PFA-ausgekleidetes Kugelventil (QAF78001-00)
4" 90" Bodenauslass (Beschichtung) – Der Einlassflansch misst 8x16 auf einer Lochkreisdurchmesser-Flanschfläche von 250 mm. Der Auslassflansch mis...
Vollständige Details anzeigenVakuumventil (Halar) (-24 kPa ~ -4 kPa) mit Flanschanschluss, Vakuumdruckbereich -24 kPa ~ -4 kPa. Das Ventil verhindert effektiv das Entlüften. Da...
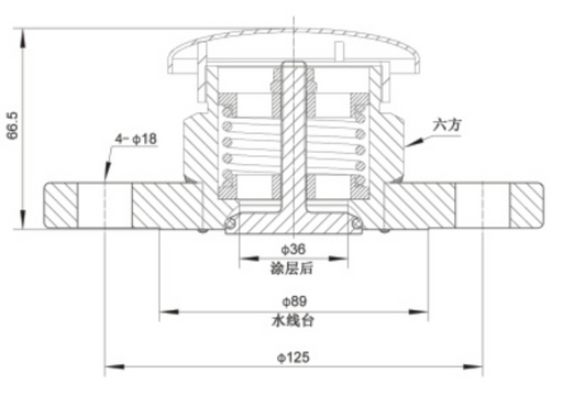
Vollständige Details anzeigenKunststoffbeschichteter Flansch, Mannlochmontage – 20 Punkte. Dieses Mannloch ist für Tanks mit PFA-Auskleidung (PFA-Auskleidungsdicke 3 mm) geeign...
Vollständige Details anzeigenMannlochbefestigung mit Gummi - 8 Punkte. Mannlöcher sind für Tanks mit Gummibeschichtung geeignet (Gummibeschichtungsdicke 4 mm bis 5 mm). Vollst...
Vollständige Details anzeigenDN500-Manndeckel mit 8 Halar-Punkten. Der Manndeckel ist für Tanks mit Halar-Beschichtung geeignet (Beschichtungsdicke 0,5–1 mm). Alle Kontaktteile...
Vollständige Details anzeigenGeeignet für ausgekleidete Tanks. Option – Kann mit unterschiedlichen Radianten angepasst werden, die Höhe des Halsrings entsprechend der Tankgröße...
Vollständige Details anzeigen
Das Guard-Tankventil besteht den Tieftemperaturtest: -65 °C, 6 Stunden. Unabhängig auf Zuverlässigkeit in LNG und arktischen Bedingungen getestet.
€1.000,00 entfernt von kostenlosem Versand!
{"one"=>"Wählen Sie 2 oder 3 Artikel zum Vergleichen aus", "other"=>"{{ count }} von 3 Elementen ausgewählt"}
Wählen Sie das erste zu vergleichende Element aus
Wählen Sie das zweite zu vergleichende Element aus
Wählen Sie das dritte Element zum Vergleichen aus