La válvula de tanque Guard supera la prueba de baja temperatura - Guard Europe BV
La válvula del tanque Guard supera la prueba de baja temperatura: -65 °C durante 6 horas. Certificada independientemente, es fiable para GNL y condiciones árticas.
Guard Europe BV suministra válvulas, acoplamientos y accesorios de alta calidad y asequibles para remolques de gas licuado (remolques de GLP). Todos nuestros productos se prueban al 100 % y cuentan con números de serie únicos para una trazabilidad completa. Con los materiales adecuados (acero inoxidable 304/316) y procesos de fabricación, garantizamos fiabilidad, larga vida útil y conformidad para aplicaciones ADR.
Nuestros socios internacionales de distribución garantizan una rápida disponibilidad en todo el mundo, desde la selección y el asesoramiento hasta la entrega y el servicio.

Los remolques de GLP transportan y distribuyen, entre otros:
Propano
Propileno
Buteno
Isobutano
n-butano
Para estos medios suministramos las válvulas y accesorios adecuados que garantizan seguridad, fiabilidad operativa y carga/descarga eficientes.
Probado al 100 % y trazable: cada producto con número de serie único
Materiales de nivel: partes en contacto en acero inoxidable 304/316, juntas de PTFE como estándar
Diseño orientado a ADR: seguridad y fiabilidad en cada sistema
Disponibilidad mundial: a través de una red de distribución contrastada
Asesoramiento técnico: le ayudamos a elegir la configuración adecuada
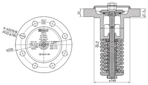
Válvula de bola DN50 robusta para gases licuados.
Características:
Cuerpo + brida con unión atornillada
Pequeña válvula de bola integrada y acoplamiento rápido DC
Estanqueidad del vástago multietapa para mayor seguridad y estanqueidad
Protege el sistema frente a sobrepresiones accidentales y después vuelve a cerrarse.
Especificaciones:
Rango de ajuste: 6,9–23,5 bar
Partes en contacto: acero inoxidable 304/316
Junta: PTFE (Teflón)
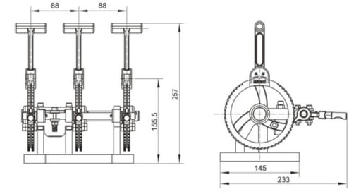
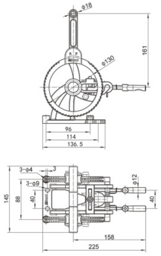
Mando a distancia para válvulas de líquido y de gas en remolques de GLP/GNL.
Ventajas:
Accionamiento simultáneo de tres válvulas
Función de cierre de emergencia integrada
Opción: versión de doble trinquete
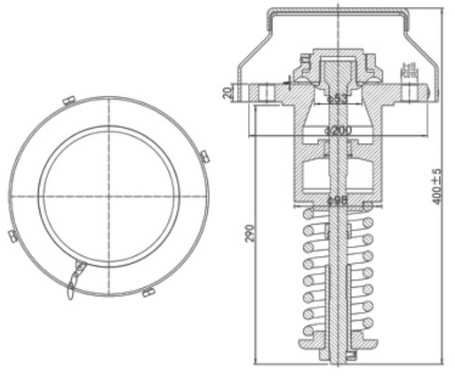
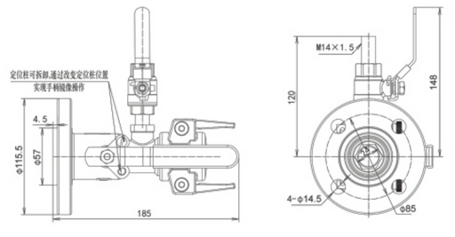
Válvula de cierre de líquido DN50 con función de corte por sobrellenado para carga/descarga controladas.
Patrones de brida:
Entrada: 8 × Ø18 mm sobre Ø160 PCD
Salida: 4 × Ø18 mm sobre Ø125 PCD
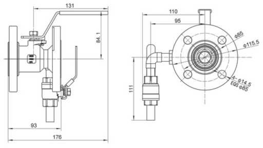
Válvula de gas accionada neumáticamente con función de corte por sobrellenado.
Patrones de brida:
Entrada: 4 × Ø18 mm sobre Ø125 PCD
Salida: 4 × Ø14 mm sobre Ø85 PCD
Le ayudamos con:
Selección de materiales/juntas adecuados al medio y la temperatura
Accionamiento (manual, neumático o eléctrico) e integración remota
Taladros de brida e interfaces adaptados a su flota
Documentación & ensayos (presión/estanqueidad) bajo pedido
¿Busca componentes fiables, asequibles y trazables para su remolque de gas licuado?
Póngase en contacto con Guard Europe BV para asesoramiento técnico o solicite directamente un presupuesto. Colaboramos activamente y entregamos con rapidez a través de nuestra red internacional.
Válvula de bola DN25 para GLP. El cuerpo y la brida de la válvula están roscados. El cuerpo también incluye una válvula de bola pequeña especial ...
Ver todos los detallesVálvula de bola DN50 para GLP. El cuerpo y la brida de la válvula están roscados. El cuerpo también incluye una válvula de bola pequeña especial ...
Ver todos los detallesVálvula de bola con brida DN25 para GLP: la brida de entrada es de 4 x 14 en la brida PCD85 mm, la brida de salida es de 4 x 14, el sellado princ...
Ver todos los detallesVálvula de bola con brida DN50 para GLP - La brida de entrada es de 4 x ø 18 en la brida PCD125mm, La brida de escape es de 4 x ø 18, la junta pr...
Ver todos los detallesLa válvula de alivio de presión interna para GLP está diseñada para rangos de presión de 6,9 a 23,5 bar. Las partes en contacto con el producto...
Ver todos los detallesLa válvula de alivio interna para GLP (brida completa) está diseñada para rangos de presión de 6,9 a 23,5 bar. Las partes en contacto con el pr...
Ver todos los detallesEl dispositivo de control remoto para GLP (estructura de doble trinquete) es un dispositivo para el control remoto de las válvulas de líquido y ga...
Ver todos los detallesEl mando a distancia para GLP (tres trinquetes) se utiliza para el control remoto de Válvulas para líquidos y gases en el tanque de GLP/GNL. Este...
Ver todos los detalles
La válvula del tanque Guard supera la prueba de baja temperatura: -65 °C durante 6 horas. Certificada independientemente, es fiable para GNL y condiciones árticas.
€1.000,00 de envío gratuito!
{"one"=>"Seleccione 2 o 3 artículos para comparar", "other"=>"{{ count }} de 3 artículos seleccionados"}
Seleccione el primer artículo para comparar
Seleccione el segundo artículo para comparar
Seleccione el tercer elemento para comparar