La válvula de tanque Guard supera la prueba de baja temperatura - Guard Europe BV
La válvula del tanque Guard supera la prueba de baja temperatura: -65 °C durante 6 horas. Certificada independientemente, es fiable para GNL y condiciones árticas.
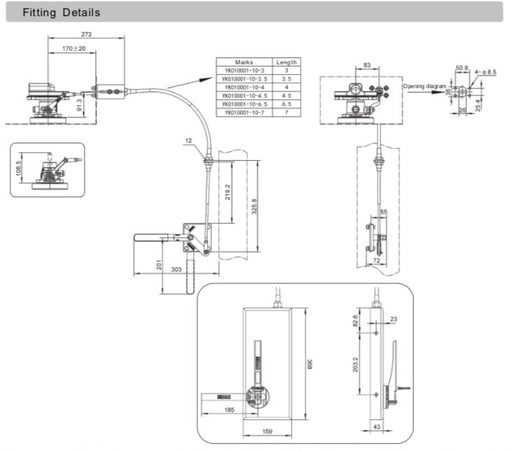
Control remoto de entrada de aire para contenedores cisterna y camiones cisterna (solución GLO)
El El control remoto de entrada de aire es una solución de operación a nivel del suelo (GLO) que permite operar la válvula de entrada de aire de un contenedor cisterna o camión cisterna de forma segura y eficiente desde el suelo. Gracias a esta solución, el operador ya no necesita subirse a la parte superior del contenedor para abrir o cerrar las válvulas.
Esto no solo ahorra mucho tiempo durante la carga y descarga, sino que, sobre todo, aumenta la seguridad del operador. El riesgo de caídas y accidentes se reduce significativamente, ya que todas las operaciones se realizan a nivel del suelo.
Solución operada a nivel del suelo para contenedores cisterna y camiones cisterna/contenedores cisterna GLO

EN14432
Versión tipo 1 Mando a distancia, disponible en diferentes tamaños. Controles para abrir/cerrar la entrada de aire de forma controlada desde el niv...
Ver todos los detallesEl dispositivo de control remoto de la válvula de bola de entrada de aire está diseñado para permitir operar la válvula desde la parte inferior. Es...
Ver todos los detallesConjunto completo de mando a distancia para contenedor cisterna. Incluye: asa, toma de aire de 1,5" y cable. Versión 1
Versión I
TIPO 1
Versión tipo 2 Mando a distancia, disponible en diferentes tamaños. Controles para abrir/cerrar la entrada de aire de forma controlada desde el niv...
Ver todos los detallesType 2-versie Afstandsbediening, verkrijgbaar in verschillende maten. Bediening om de luchtinlaat op een gecontroleerde manier te openen/sluiten va...
Ver todos los detallesTYPE 2
Cable de control remoto de 6M
Cable de control remoto de 4M
Cable de control de 4,5 m
Acero inoxidable 304
4 agujeros
Tapa antipolvo de acero inoxidable de 1,5" BSP con cadena y junta de PTFE
304
La válvula del tanque Guard supera la prueba de baja temperatura: -65 °C durante 6 horas. Certificada independientemente, es fiable para GNL y condiciones árticas.
€1.000,00 de envío gratuito!
{"one"=>"Seleccione 2 o 3 artículos para comparar", "other"=>"{{ count }} de 3 artículos seleccionados"}
Seleccione el primer artículo para comparar
Seleccione el segundo artículo para comparar
Seleccione el tercer elemento para comparar