La válvula de tanque Guard supera la prueba de baja temperatura - Guard Europe BV
La válvula del tanque Guard supera la prueba de baja temperatura: -65 °C durante 6 horas. Certificada independientemente, es fiable para GNL y condiciones árticas.
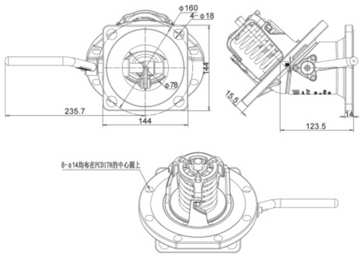
Válvula de pie de 3" y 45°. Válvulas de fondo de alta elevación para contenedores cisterna, diseñadas para la extracción segura y eficiente de líquidos. Estas válvulas de fondo están equipadas con un mecanismo de alta elevación que garantiza un alto caudal y son ideales para aplicaciones industriales exigentes.
Las válvulas pueden equiparse con un dispositivo de cierre opcional, adecuado tanto para funcionamiento de emergencia como con una conexión de enlace fusible, lo que aumenta significativamente la seguridad en caso de emergencia.
Las válvulas de fondo cumplen con las normas de seguridad europeas aplicables y se suministran con aprobación EN 14432.

Válvula de pie 3" 45º - Brida perforada 8x14xPCD178. Escape 4x18xPCD160. Opción-Dispositivo de cierre de emergencia y fusible.
Válvula 3" 45 grados con calefacción
Válvula de pie de 3″45° con recubrimiento Halar – Brida de entrada perforada con 8 orificios de 14 mm a distancias iguales en un PCD x 178. Brida d...
Ver todos los detallesVálvula de fondo de 3« a 45° + válvula de mariposa con abrazadera de 3» + salida BSP de 3« + tapa antipolvo BSP de 3» N.º de artículo: HDJ48001-00
WAMP: 4 bar y rango de temperatura: -40 a 190 °C
Válvula de pie de 3" y 45 grados con válvula de muestreo: válvula de pie de 3" y 45 grados + válvula de mariposa con abrazadera de 3" + salida de ...
Ver todos los detallesDrenaje inferior Camlock Unify de 3" CC - Brida perforada 8 x 14 x PCD178. Opción – Dispositivo de parada de emergencia y fusible.
Sello del tanque de la junta - 8x14mm PCD178mm, d = 3mm
Palanca de accionamiento de la válvula de pie, acero inoxidable 304
Cable de acero inoxidable de 4 m, 5 mm de diámetro
8 pernos
Incluye sello principal y de husillo
Válvula de 3" pies (soporte sólido / eje / conjunto de bloque de manivela / placa superior de resorte y resorte / manija) N ° de pieza : SNMJ8001
Válvula de pie de mango
Husillo para válvula de pie
Placa superior de resorte - Descarga inferiorParte No; JS468009-03
Junta tórica encapsulada para válvula de pie
Poppet Sólido - Descarga Inferior Acero inoxidable 316, 324/2020Parte No : JS468009-02
Resorte - descarga inferiorAcero inoxidable 316, 5104-971
Para válvula de pie de 3" y 45 grados JS468009-00 Material: 316
Abrazadera de relleno 3" 180 Foot Valve
Conjunto de bloque de manivela, CF8M
Válvula de pie de 3" y 90°: brida de entrada con orificios de 8 x 14 mm equidistantes en un conector PCD de 178 mm; brida de salida con orificios d...
Ver todos los detalles
La válvula del tanque Guard supera la prueba de baja temperatura: -65 °C durante 6 horas. Certificada independientemente, es fiable para GNL y condiciones árticas.
€1.000,00 de envío gratuito!
{"one"=>"Seleccione 2 o 3 artículos para comparar", "other"=>"{{ count }} de 3 artículos seleccionados"}
Seleccione el primer artículo para comparar
Seleccione el segundo artículo para comparar
Seleccione el tercer elemento para comparar