Guard Tankklep slaagt voor Lage-temperatuurtest - Guard Europe BV
Guard tankklep doorstaat lage-temperatuurtest: -65 °C, 6 uur. Onafhankelijk getuigd-betrouwbaar voor LNG en arctische omstandigheden.
Guard biedt speciale mangat deksels voor bijvoorbeeld explosie gevaarlijke ladingen, of met een speciale aansluiting op de deksel. Speciale deksel zijn ook beschikbaar in verschillende materialen, denk aan Halar, rubber of hasteloy deksels.
Wij leveren ook custom made mangat deksels, neem gerust contact met ons op voor een consult.

Materiaal: Roestvrijstaal 316L + 10" Scored breekplaat en schijf ondersteuning + bescherming
304/316L. 220 degree working Temp + Manlid Seal
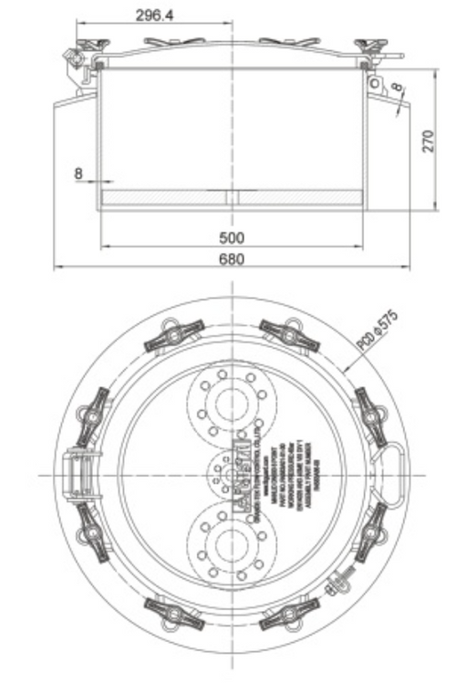
DN500 Manlid-assemblage met DN170-inspectie - 8 punten. Manlid-deksel met DN170-inspectie en veiligheidsklep interface. Er zijn verschillende hoog...
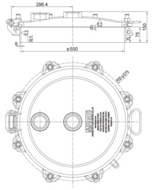
Alle gegevens bekijkenIncl. ontluchtingsventiel, materiaal: 316L roestvast staal 500MM mangat Laag profiel - Peroxide / H2O2 Tank
Werkdruk 4bar, Testdruk 6bar, Materiaal: Koolstofstaal Q345R
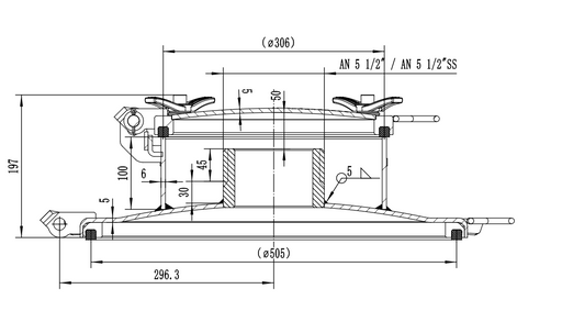
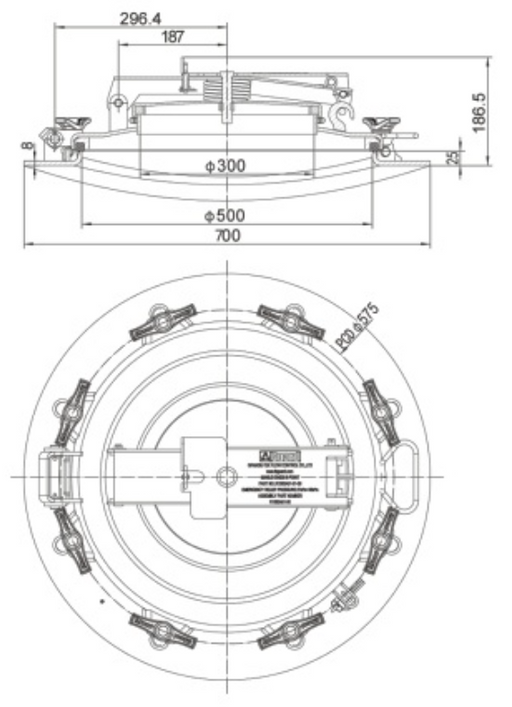
DN 500 Manlidconstructie met DN260-inspectie - 8 punten. Manliddeksel met DN260-inspectie.
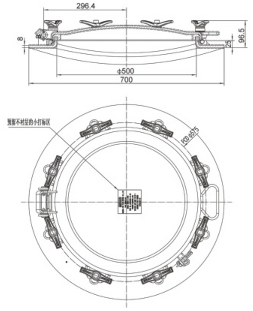
DN500 (500 mm) Manlidconstructie met DN300 (300 mm) inspectie - 8 punten. Manliddeksel met DN300-inspectie.
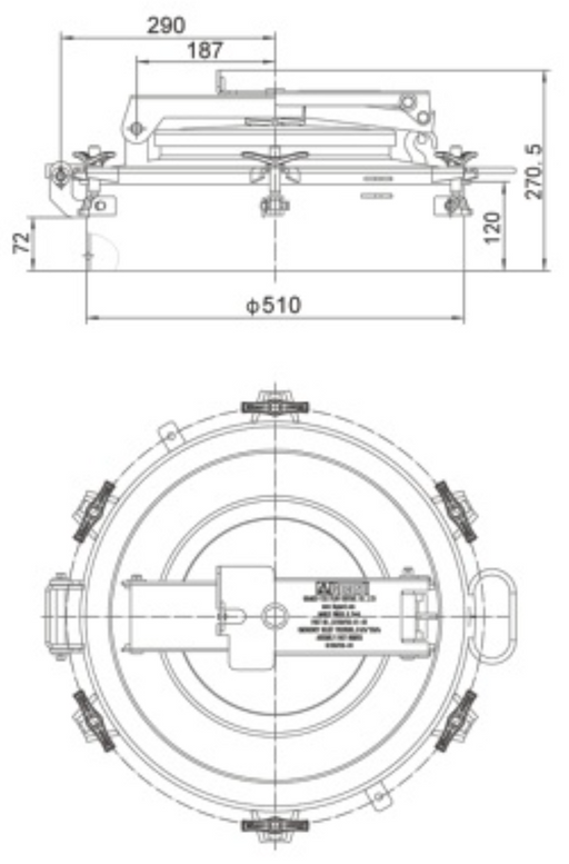
Manlid Assembly met breekschijfhouder -8 punten.Manliddeksel met 10" breekplaat montageflens. Verzonken structuur bespaart ruimte; De bovenste sto...
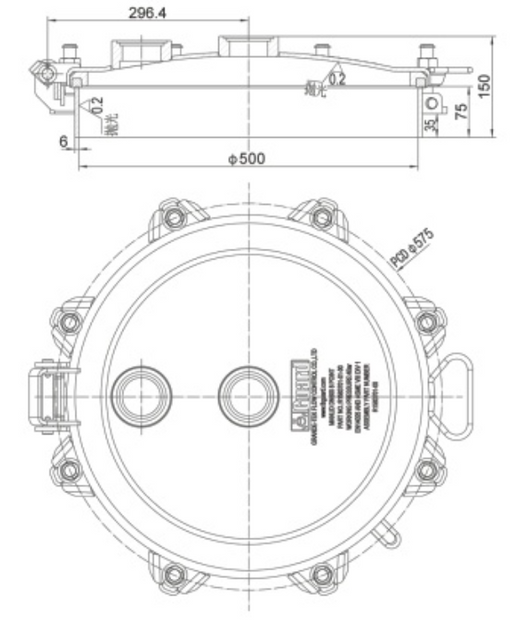
Alle gegevens bekijkenDN500Manlidconstructie met noodafvoerapparaat - 8 punten. Het noodafvoerapparaat wordt op het mangatdeksel geïnstalleerd.
DN500 gelaste flens met diepe nekring - 8 punten. De flens is in het geheel gelast. De flens wordt gebruikt om de laadklep en andere kleponderdelen...
Alle gegevens bekijkenDN500 gepolijste mangat montage - 8 punten.Alle onderdelen in het mangat onderdeel die in contact komen met het medium zijn spiegel gepolijst, gesc...
Alle gegevens bekijkenDN500 Flens montage Manlid montage - 8 punten. De nekring van het mangat wordt via een gelaste flens aan het tanklichaam vastgeschroefd; de halsrin...
Alle gegevens bekijkenDN500 Manlid-assemblage met Halar-8-punten. Het manlid is geschikt voor tanks met een HALAR-coating (Halar-coatingdikte 0,5 mm~1 mm). Alle contactk...
Alle gegevens bekijkenManlidmontage met rubber -8 punten. Manlids zijn geschikt voor tanks die zijn bekleed met een rubberen coating (dikte van de rubberen coating 4 mm...
Alle gegevens bekijkenDN500 Explosieveilige mangatconstructie, mangatdeksel met noodontgrendeling. Wanneer het drukverschil tussen binnen en buiten de tank de afvoerdru...
Alle gegevens bekijkenDN500 Europese standaard mangatdeksel, ontwerpvereisten in overeenstemming met QC/T1065-2017. Het flensdeksel en de rekring zijn vastgezet met 24 ...
Alle gegevens bekijken
Guard tankklep doorstaat lage-temperatuurtest: -65 °C, 6 uur. Onafhankelijk getuigd-betrouwbaar voor LNG en arctische omstandigheden.
€1.000,00 verwijderd van gratis verzending!
{"one"=>"Selecteer 2 of 3 items om te vergelijken", "other"=>"{{ count }} van 3 items geselecteerd"}
Selecteer het eerste item om te vergelijken
Selecteer tweede item om te vergelijken
Selecteer derde item om te vergelijken